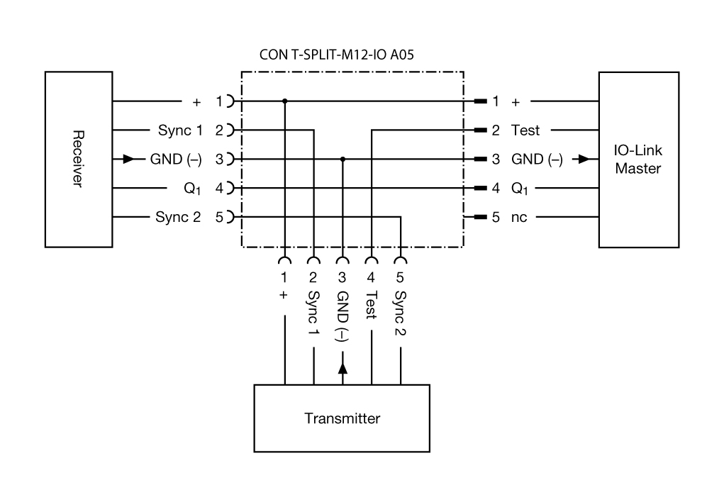
CON T-SPLIT-M12-IO A05

Sockets & Connectors

Accessories

CON T-SPLIT-M12-IO A05

Product Data

  • 5 pin, M12 T-splitter connector
  • Female – Male – Female
  • Compatible with SS 01-IO Series

Technical Data

Housing Material TPU
Rated voltage 60 V ac / dc
Rated current 4 A
Connector material (Lock nut) Brass (nickel plated)
Sealing class IP 67
Temperature, Operation -25 to +85 ºC
Connector contacts Brass (gold plated)

Technical Drawings

  • Dimensions Dimensions
  • Connections Connections
  • Wiring diagram Wiring diagram
Document

Results 0 items

Enter your search criteria

Quick Search

Or

Product Finder

Find the Telco product type you're looking for with the help of criteria search filters in the Telco product finder

Open Product Finder

We use cookies to personalize content and to analyze our traffic. Please decide if you are willing to accept cookies from our website.